|
|
|
|
|
|
|
|
|
|
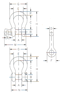
NO
MINAL
SIZE
(in.) |
WORK
ING
LOAD
LIMIT*
(tons) |
Dimensions
(in.) |
Tole
rance
+/_ |
| A |
B |
C |
D |
E |
F |
G |
H |
L |
M |
N |
P |
C |
A |
| 3/16 |
1/3 |
.38 |
.25 |
.88 |
.19 |
.60 |
.56 |
.98 |
1.47 |
.16 |
1.12 |
- |
.19 |
.06 |
.06 |
| 1/4 |
1/2 |
.47 |
.31 |
1.13 |
.25 |
.78 |
.61 |
1.28 |
1.84 |
.19 |
1.38 |
1.34 |
.25 |
.06 |
.06 |
| 5/16 |
3/4 |
.53 |
.38 |
1.22 |
.31 |
.84 |
.75 |
1.47 |
2.09 |
.22 |
1.66 |
1.59 |
.31 |
.06 |
.06 |
| 3/8 |
1 |
.66 |
.44 |
1.44 |
.38 |
1.03 |
.91 |
1.78 |
2.49 |
.25 |
2.03 |
1.86 |
.38 |
.13 |
.06 |
| 7/16 |
1 1/2 |
.75 |
.50 |
1.69 |
.44 |
1.16 |
1.06 |
2.03 |
2.91 |
.31 |
2.38 |
2.13 |
.44 |
.13 |
.06 |
| 1/2 |
2 |
.81 |
.63 |
1.88 |
.50 |
1.31 |
1.19 |
2.31 |
3.28 |
.38 |
2.69 |
2.38 |
.50 |
.13 |
.06 |
| 5/8 |
3 1/4 |
1.06 |
.75 |
2.38 |
.63 |
1.69 |
1.50 |
2.94 |
4.19 |
.44 |
3.34 |
2.91 |
.69 |
.13 |
.06 |
| 3/4 |
4 3/4 |
1.25 |
.88 |
2.81 |
.75 |
2.00 |
1.81 |
3.50 |
4.97 |
.50 |
3.97 |
3.44 |
.81 |
.25 |
.06 |
| 7/8 |
6 1/2 |
1.44 |
1.00 |
3.31 |
.88 |
2.28 |
2.09 |
4.03 |
5.83 |
.50 |
4.50 |
3.81 |
.97 |
.25 |
.06 |
| 1 |
8 1/2 |
1.69 |
1.13 |
3.75 |
1.00 |
2.69 |
2.38 |
4.69 |
6.56 |
.56 |
5.07 |
4.53 |
1.06 |
.25 |
.06 |
| 1 1/8 |
9 1/2 |
1.81 |
1.25 |
4.25 |
1.16 |
2.91 |
2.69 |
5.16 |
7.47 |
.63 |
5.59 |
5.13 |
1.25 |
.25 |
.06 |
| 1 1/4 |
12 |
2.03 |
1.38 |
4.69 |
1.29 |
3.25 |
3.00 |
5.75 |
8.25 |
.69 |
6.16 |
5.50 |
1.38 |
.25 |
.06 |
| 1 3/8 |
13 1/2 |
2.25 |
1.50 |
5.25 |
1.42 |
3.63 |
3.31 |
6.38 |
9.16 |
.75 |
6.84 |
6.13 |
1.50 |
.25 |
.13 |
| 1 1/2 |
17 |
2.38 |
1.63 |
5.75 |
1.54 |
3.88 |
3.63 |
6.88 |
10.00 |
.81 |
7.35 |
6.50 |
1.62 |
.25 |
.13 |
| 1 3/4 |
25 |
2.88 |
2.00 |
7.00 |
1.84 |
5.00 |
4.19 |
8.86 |
12.34 |
1.00 |
9.08 |
7.75 |
2.25 |
.25 |
.13 |
| 2 |
35 |
3.25 |
2.25 |
7.75 |
2.08 |
5.75 |
4.81 |
9.97 |
13.68 |
1.22 |
10.34 |
8.75 |
2.40 |
.25 |
.13 |
| 2 1/2 |
55 |
4.13 |
2.75 |
10.50 |
2.71 |
7.25 |
5.69 |
12.87 |
17.84 |
1.38 |
13.00 |
- |
3.13 |
.25 |
.25 |
|
|
|
 |
|